Sitemap | Catalogs

 

 

Dynamill®
Structure
Operation Principle
Horizontal Bead Mill
» S-0.3
» S-1.4
» M5
» M15
» M20
» M45; M60
» DM30
Basket Bead Mill
diamix®
Mill, Packaging & Others

 

Horizontal Bead Mill 

M45; M60

 

horizontal bead mill

 

Features

  1. The optimum configuration for every product with an extremely wide choice of materials including hardened and stainless steel, hard chrome plated stainless steel, polyurethane and engineered ceramics.
  2. Alloy materials grinding chamber and agitator disc provide excellent wear and tear resistance.
  3. Easy to operate - all type of mill can be taken apart in just few steps, allowing simple and rapid changeover to a different mill configuration. Simple disassembly allows fast cleaning and changing of the dispersing tools.
  4. Mechanical seals we choose and design to suit your needs. All Dynamill® mechanical seals are tested for quality prior to delivery and ensuring complete reliability.
  5. Simple operation and easy setting of operating parameters - Low operating and maintenance costs.

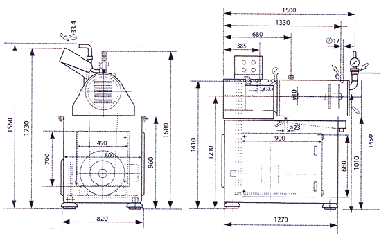
Model Specification

Model
Motor
Powder
(HP/Kw)

Grinding
Chamber
(Volume, L)

Production
Volume
(L/H)

Cooling Water
Consumption
(L/H)

Weight
(kg)
Dimension
L/W/H
(mm)
M-45
50/38
45
150 - 1500
2000 - 3000
1600
1880/1110/1790
M-60
60/45
60
200 - 2000
2000 - 4000
1900
2205/1210/1790

*Data above provided for reference purpose only. Company reserve the right to change or modify any particular without prior notice.


 

Back to Top